Rasaii Flow Lines Private Limited

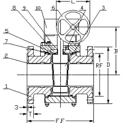
Valve Diagram

Product

Wireframe Diagram

Valve Diagram
P.T.No Part Name Material
1
Valve Body
D.I / WCB
2
Teflon Lining
PFA / FEP
3
Teflon Lined Plug
D.I / WCB
4
Teflon Diaphragm
PTFE
5
Metal Diaphragm
CF8M
6
Handle Cup
M.S.
7
Teflon Washer
PTFE
8
Thrust Collar
CF8M
9
Cover Plate
D.I / WCB
10
Gear Box
Cast Iron
Test Pressure as per API 598
Class 150
Size
150
200
250
300
FF
267
298
330
355
B
330
527
559
597
C
406
406
508
508
D
279
343
406
483
RF
216
270
324
381
T
25
28
30
32
Weight Kg.
60
86
130
170
P.T.No
Code
DI
WCB
LCB
CA15
CF8
CF8M
CN7M
CD4MCu
410
304
316
CI
Matrl
A395
A216
A352
A217
A351
A351
A351
A351
A276
A276
A276
IS-210
Speen
DI
WCB
LCB
CA15
CF8
CF8M
CN7M
CD4MCu
410
304
316
FG200

Notes

1. END CONNECTIONS, AS per ANSI 150, ASA 150, B 16.5.
2. Max. working temp. 180°c.
3. All Lined Portion are spark Tested to 10,000V.